9+ Air Separator Diagram


Separation Of Components Of Air Class 9th Science Draw And Explain And How Work Brainly In


Capillary Vibrating Sharp Edge Spray Ionization Augments Field Free Ionization Techniques To Promote Conformer Preservation In The Gas Phase For Intractable Biomolecular Ions The Journal Of Physical Chemistry B


Air Eliminator Piping Www Spirotherm Com


Techno Economic Assessment Of Different Routes For Olefins Production Through The Oxidative Coupling Of Methane Ocm Advances In Benchmark Technologies Sciencedirect


Semiconducting Single Walled Carbon Nanotubes Sorting With A Removable Solubilizer Based On Dynamic Supramolecular Coordination Chemistry Nature Communications


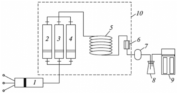
The Schematic Diagram Of The Pulsing Air Classifier 1 Air Blower 2 Download Scientific Diagram


A Schematic Of Fe Th Ion Implantation Into Tio 2 Wafer Samples B Download Scientific Diagram


Flow Diagram For Air Separation Psa System 51 Download Scientific Diagram


Air Separator Api Energy


Asadullah Khan Assistant Manager Vikas Group Linkedin


Alternative Liquid Fuels From Renewable Resources Niethammer 2018 Chemie Ingenieur Technik Wiley Online Library


Molecules Free Full Text From K6 Re6 Minus Xmoxs8 Cn 5 Solid Solution To Individual Cluster Complexes Separation And Investigation Of Re4mo2s8 Cn 6 N Minus And Re3mo3s8 Cn 6 N Minus Heterometallic Clusters


Air Separator Tanks


Nanpu Frc 1 4 Compressed Air Filter Regulator Lubricator Combo 1 4 Npt Water Oil Trap Separator Gauge 0 230 Psi Poly Bowl Manual Drain Bracket 3 In 1 Two Unit Amazon In Home Improvement


112119 Bell Gossett Ias 1 1 4 In Line Air Separator National Pump Supply


Pdf From Fossil To Green Chemicals Sustainable Pathways And New Carbon Feedstocks For The Global Chemical Industry


Air Separator Youtube


Pdf Air Separator Ruijiao Xu Academia Edu

Iklan Atas Artikel

Iklan Tengah Artikel 1

Iklan Tengah Artikel 2

Iklan Bawah Artikel